Описание источника тока ESAB Transmig 500DP-Rd-E для роботизированных комплексов
Сварочный аппарат ESAB Transmig 500DP-Rd-E (ICFC960203E). Сварочный аппарат ESAB Transmig 500DP-Rd-E для разных задач (ICFC960203E). Гибкость в работе.

Сварочный источник ESAB Transmig 500DP-Rd-E
Transmig 500DP – цифровой источники сварочного тока для MIG/MAG/MMA сварки с импульсным режимом и установленными синергетическим программами. Данный сварочный источник регулирует напряжение и форму тока на выходе, обеспечивая высокую скорость сварки и исключительную стабильность дуги, адаптируемость к различным условиям работы, небольшое количество брызг и возможность регулировки параметров в широком диапазоне. Оборудование можно использовать для различных сварочных процессов, таких, как MMA, GMAW, Synergic GMAW, импульсной и с двойным импульсом сварки; в этих устройствах используется технология обмена цифровыми данными посредством шины CAN, что обеспечивает быстроту и стабильность внутренней передачи данных.
Характеристики оборудования:
- Полностью цифровая система управления реализует точное управление сварочным процессом и позволяет получить стабильную длину дуги.
- Встроенная база синергетических программ и возможность автоматического программного выбора комбинаций параметров.
- Простой в работе, удобный интерфейс пользователя с возможностью синергетических настроек
- Малое количество брызг при сварке и качественный внешний вид сварного шва.
- Возможность сохранения до 10 наборов сварочных программ в ячейки памяти и экономии рабочее время.
- Наличие различных интерфейсов, позволяющих подключаться к сварочному роботу и специальным источникам сварочного тока.
- Технология с использованием инвертора повышает общую надежность и позволяет экономить электроэнергию.
Процесс изготовления данной серии источников сварочного тока соответствует требованиям стандарта GB15579.1-2013, Оборудование для дуговой сварки - Часть 1: Источники сварочного тока
Сварочный источник ESAB Transmig 500DP
Источники питания для сварки Transmig GMAW — это простые в использовании многофункциональные цифровые сварочные аппараты GMAW с централизованным управлением с помощью микросхемы ARM, которая регулирует выходное сварочное напряжение и форму волны тока на высокой скорости, обеспечивая высокую стабильность дуги, высокую адаптивность, небольшое разбрызгивание и широкий диапазон настройки параметров. Благодаря нескольким процессам, таким как MMA, GMAW, Synergic GMAW и DPT, серия Transmig имеет:
- Трехступенчатую настройку параметров обеспечивающую максимальную адаптивность сварки
- Промышленный дизайн для широкого спектра применении
- DPT - Обеспечивает высочайшую производительность при сварке толстых пластин
- Универсальность благодаря цифровой технологии управления и постоянному обновлению
- Точную настройку синергетических параметров гарантирует стабильный процесс сварки
- Надежная и стабильная производительность сварки, высокая адаптивность и широкий диапазон настроек
- Отличные ударные, ударопрочные и ударопрочные характеристики с очевидной дифференциацией
Технические характеристики сварочных источников ESAB Transmig 500DP
| Параметр | Значение |
| Питающая сеть |
380 В ± 15%, 50 Гц/60 Гц |
| Номинальная входная мощность | 24,7 кВА |
| Коэффициент мощности | 0,93 |
| Ном. напряжение VRD для MMA | 20 ± 2 В |
| Номинальные выходные параметры для MMA | 500 A/40 В |
| Напряжение холостого хода | 80 В |
| Ном. выходные параметры для GMAW | 500 A/39 В |
| Диапазон регулировок напряжения | 14–39 В |
| Диапазон регулировок тока | 30–500 A |
| Скорость подачи проволоки |
2,0–22,0 м/мин |
| Напряжение питания подогревателя газового редуктора | Переменный ток, 36 В (100 Вт) |
| Процесс |
MMA (сварка покрытым электродом)/ GMAW (дуговая сварка в среде защитных газов проволокой сплошного сечения импульсная / с двойным импульсом |
| Материал изделия |
Низкоуглеродистая сталь / нержавеющая сталь / алюминиевые сплавы |
| Диаметр проволоки |
Углеродистая сталь ø 1,0–1,6 мм, нержавеющая сталь ø 1,0 - 1,2 мм, алюминиево-магниевые сплавы ø 1,0 - 1,6 мм алюминиево-кремниевые сплавы ø 1,0 - 1,6 мм |
| Рабочая температура | От - 10 °C до +40 °C |
| Температура хранения | От -25 °C до +55 °C |
| Класс защиты | IP21S |
| Продолжительность нагрузки | 100,00% |
| КПД | 85,00% |
| Класс изоляции | F |
| Габаритные размеры | 760 х 360 х 710 мм |
| Вес нетто | 53,4 кг |
Механизм подачи проволоки ESAB RobFeed 304R
Четырехроликовый механизм с подающими роликами гарантирует точную и стабильную подачу проволоки в диапазоне скоростей от 0,8 до 22 м /мин. Проверенная временем конструкция механизма из алюминия с резиновыми опорными ножками обеспечивают снижение динамических нагрузок на блок при движении робота с ускорением или торможением.
Технические характеристики механизма подачи проволоки ESAB RobFeed 304R
| Технические характеристики | RobFeed 304R |
| Номинальный сварочный ток | 500A@100% |
| Напряжение двигателя | DC24V |
| Применимый диаметр проволоки | ф0.8~ф1.6 |
| Номинальная тяга | 100N |
| Скорость подачи проволоки | 2,0 ~ 22,0 м/мин |
| Вес | 4 кг |
| Габариты Д x Ш x В | 290 X 210 X 240 |
Кабель-пакеты ESAB горелок RT для роботов со стандартной кистью
Кабель пакеты горелок RT это стандартное решение ESAB, основанное на нашем опыте и специально оптимизированное для использования в роботизированных системах при высоких нагрузках. Силовой разъем с интегрированными каналами магистралей обеспечивает надежное крепление корпуса горелки и теплоотвод. Высококачественные рукава в том числе, отдельный для сжатого воздуха, а также интегрированные самоблокирующиеся клапана обеспечивают увеличение срока эксплуатации и достижению лучших сварочных свойств.
Технические характеристики кабель-пакетов ESAB горелок RT для роботов со стандартной кистью
| Технические характеристики | |
|
Сварочный ток / ПВ (для сварки в смеси, 10 мин. цикл) |
Воздушное охлаждение: 500A / 60%, 350A / 100% Жидкостное охлаждение: 600A / 100% |
| Масса (кабель пакет 1,2 м) | 2,35 кг |
| Стандарт | В соответствии с IEC 60974-7 |
| Подключение к подающему механизму | Евро разъем, датчик столкновений, магистрали контура охлаждения |
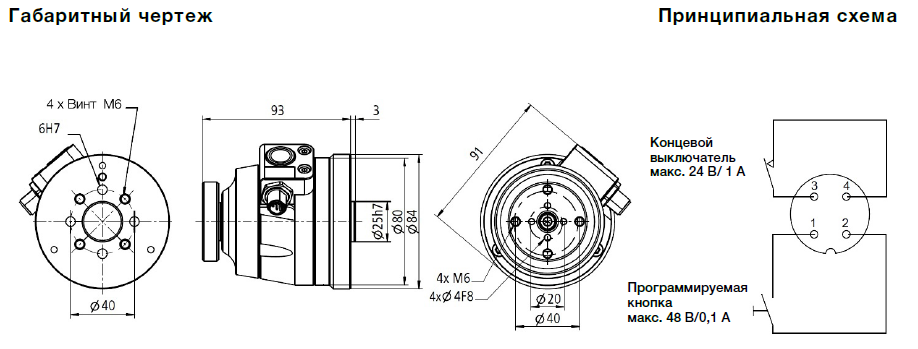
Механизм защиты от столкновений ESAB KS-2
Датчик столкновений KS-2 разработан с целью надежной защиты роботов и систем сварочных горелок от повреждений при столкновениях. Он отличается высокой скоростью срабатывания и точностью возврата в первичную позицию.

Особенности механизма защиты от столкновений ESAB KS-2
- Очень высокая точность восстановления
- Компактная и надежная конструкция, продолжительный срок службы
- Простая и быстрая установка.
Технические характеристики механизма защиты от столкновений ESAB KS-2
| Технические характеристики | |
| Модель | KS-2-MIG |
| Max. угол отклонения | 10° |
| Рекомендуемая масса гусака | 2 – 3 кг |
| Фланец робота | совместимость с фланцем DIN ISO 9409-1-A40 |
| Принцип работы | полностью механический, с пружинной опорой |
| Повторяемость | ± 0,03 мм, на расстоянии 300 мм от фланца |
| Масса | примерно 0,85 кг |
Габаритный чертеж и принципиальная схема механизма защиты от столкновений ESAB KS-2
Сварочная горелка ESAB RT 72G
Мощная горелка с повышенным сроком службы, предназначенная для выполнения сложных сварочных задач в промышленных условиях.
Гусаки с воздушным и жидкостным охлаждением одной и той же модели комплектуются одинаковыми запасными и быстроизнашиваемыми частями для сокращения складских издержек покупателя. Газовые сопла минимального размера в сочетании со стандартными гусаками для решения специальных задач позволяют подобрать решение для большинства задач сварки. Резьбовое крепление сопла с подпружиненным зажимом предотвращает ослабление крепления сопла, улучшают теплоотвод и, следовательно, увеличивает срок жизни узлов горелки и существенно снижает время простоя робота при условии регулярной замены быстроизнашиваемых частей.

Кронштейн ESAB RT
Кронштейны RT – это узлы крепления горелок, выполненные с высокой точностью, на роботах со стандартной рукой. Кронштейны устанавливается на модули KS-2 или FL-2. Кабель пакет фиксируется в кронштейне в определенном положении.
Пожалуйста, подберите необходимый кронштейн в зависимости от выбранной модели гусака. Все кронштейны поставляются в комплекте с монтажными материалами.
Станция очистки горелок RT2000
Станция RT 2000 предназначена исключительно для очистки от брызг металла специализированных горелок с осевой симметрией работающих в составе систем с ЧПУ, например такими как РТК. Сигнал о запуске на включение RT 2000 передает контроллер робота, а станция предоставляет сигналы состояния. Налипшие на внутреннюю часть газового сопла брызги, удаляются вращающейся фрезой. После механической очистки горелка обрабатывается жидкостью, снижающей дальнейшее налипание брызг. Обработка жидкостью осуществляется в замкнутой камере, которая позволяет предотвратить попадание жидкости на изделие, узлы РТК и снизить её расход. В завершении цикла производится обрезка проволоки на длину вылета посредством гильотины с пневматическим приводом. Обрезки проволоки попадают в корзину уловитель.
Особенности станции очистки горелок RT2000
- Автоматизированный процесс очистки, не требующий вмешательства оператора
- Короткое цикл очистки и, как следствие, высокая производительность РТК
- Предотвращение загрязнения и как результат стабильно высокое качество шва
- Надежная, проверенная временем конструкция
- Экономичная эффективная очистка для стандартных задач
- Электрическое управление
Технические характеристики станции очистки горелок RT2000
| Технические характеристики | |
| Привод исполнительных механизмов | Пневматический |
| Требования к сжатому воздуху | Без масла, давление 6 bar |
| Управляющие сигналы | 24 В постоянный ток |
| Время цикла очистки | ≈4-5 сек |
| Дозировка жидкости при обработке | Регулируемая |
| Объём ёмкости под жидкость | 500 мл |
| Максимальный диаметр проволоки | 1,6 мм |
| Масса | ≈14 кг (без основания) |
Фрезы, изготовлены из закаленной стали с соединительной резьбой 3/8" – 24 UNF и поставляются в упаковках по 2 шт. Размер фрезы должен быть выбран в зависимости от используемого наконечника и газового сопла. Внутренний диаметр фрезы (ID) должен быть на 1 мм больше наружного диаметра наконечника, а наружный диаметр (OD) должен быть на 1 мм меньше внутреннего диаметра сопла.
Спецификация поставки роботизированных комплексов на базе сварочного источника ESAB Transmig 500DP
| Описание | Кол-во |
| Источник тока Transmig 500DP-Rd-E | 1 |
| Кабель заземления 3m 70mm2 | 1 |
| Входной силовой кабель 5m 4X6mm2 | 1 |
| Кабель связи 10m | 1 |
| Соединительный кабель 5m 70mm2 6 pin | 1 |
| Механизм подачи проволоки RobFeed 304R | 1 |
| Кабель G 1.20 m Euro | 1 |
| Шейка горелки RT 72G-22 (воздушное охлаждение, угол 22 градуса) | 1 |
| Кронштейн крепления гусака RT, угол 23° | 1 |
| Механизм защиты от столкновений RT KS-2-MIG | 1 |
| Станция очистки горелки RT2000 | 1 |
| Основание станции очистки RT 2000 | 1 |
| Фреза OD/ID/ID 15,5/12,5/11 мм, для станции очистки горелок RT 2000 | 2 |
| Запасные части и принадлежности | |
| Проволокопровод 1,0-1,2 мм, 3,4 м., красный | 3 |
| Держатель наконечника HD, латунь, M8 RT 72 | 3 |
| Контактный наконечник M8x30 1,0мм CuCrZr | 20 |
| Изолятор шейки горелки, черный RT 72 | 10 |
| Проволокопровод для шейки горелки 0.8-1.2мм (420 мм) | 10 |
| Изолятор газового сопла RT 72 | 5 |
| Сопло цилиндрическое д.17.0 мм RT82W | 5 |
Информация для заказа
Для покупки товара в нашем интернет-магазине выберите понравившийся товар и добавьте его в корзину. Далее перейдите в Корзину и нажмите на «Оформить заказ» или «Быстрый заказ».
Когда оформляете быстрый заказ, напишите ФИО, телефон и e-mail. Вам перезвонит менеджер и уточнит условия заказа. По результатам разговора вам придет подтверждение оформления товара на почту или через СМС. Теперь останется только ждать доставки и радоваться новой покупке.
Оформление заказа в стандартном режиме выглядит следующим образом. Заполняете полностью форму по последовательным этапам: адрес, способ доставки, оплаты, данные о себе. Советуем в комментарии к заказу написать информацию, которая поможет курьеру вас найти. Нажмите кнопку «Оформить заказ».
«Компания ТНД» — официальный дистрибьютор концернов ESAB и GCE KRASS. Мы предлагаем удобные и гибкие способы оплаты, адаптированные как для юридических лиц (организаций), так и для физических лиц.
Для юридических лиц:
- Оплата по безналичному расчёту с НДС. Оформление происходит на основании выставленного счёта, спецификации или договора, который оформляют наши менеджеры.
- После подтверждения оплаты (поступления денежных средств на наш расчётный счёт) возможна отгрузка: самовывоз с нашего склада или доставка через транспортные компании. При оформлении отгрузки предоставляются оригиналы документов — товарная накладная ТОРГ-12 и счёт-фактура.
- Отсрочка платежа: возможна для организаций при заключении долгосрочных договорных отношений.
Для физических лиц:
- При самовывозе в офисе: оплата наличными или картой.
- Онлайн-оплата: по выставленному счёту через сервис электронных платежей Юмани. На сайте Юмани можно оплатить с любой российской банковской карты (Visa, Mastercard, UnionPay, «Мир»), даже если карта не привязана к кошельку. Поддерживаются также платежи из электронных кошельков, через интернет-банкинг, наличными, по QR-кодам и др.
- Рассрочка через Т-Банк: решение по заявке занимает 1–2 минуты, оформление происходит через СМС-подписание без встреч и лишних документов. Условия индивидуальны и зависят от суммы и срока, обычно рассрочка предоставляется на сумму от 3 до 200 тысяч рублей на срок от 3 месяцев до 3 лет.
- Оплата при получении товара: оплата наличными или картой курьерским службам (CDEK, «Достависта») либо через Почту России.
Наши специалисты всегда готовы помочь вам выбрать наиболее удобный способ оплаты и оформить заказ на качественную продукцию ESAB и GCE KRASS.
Обратите внимание, что для некоторых товаров со статусом «НЕТ В НАЛИЧИИ» или «под заказ» менеджер может запросить предоплату для оформления заказа.
Для юридических лиц
(по предоплате или по договору с отсрочкой)
- Доставка по РФ через ТК "Деловые линии" (бесплатно до терминала в Москве)
- Доставка любой транспортной компанией на Ваш выбор
- Доставка по Москве и Московской области
- Бесплатная доставка электродов ОК 46.00 по Москве (внутри МКАД) от 150 кг
- Доставка через СДЭК
- Самовывоз с оптового склада: ул. Плеханова, 12с4
Для физических лиц
(предоплата или оплата при получении)
- Курьер по Москве (внутри МКАД): от 400 руб. (до 10 кг)
- Экспресс-доставка Яндекс GO по тарифам сервиса
- Почта России (не более 100 000 руб.)
- СДЭК (пункты выдачи: склад-склад и курьерская доставка склад-дверь, бесплатная отправка до склада в Москве)
- Транспортные компании: "Деловые линии" или любая на выбор
- Самовывоз из магазина Москва, ул.Электродная 11, оф.107


